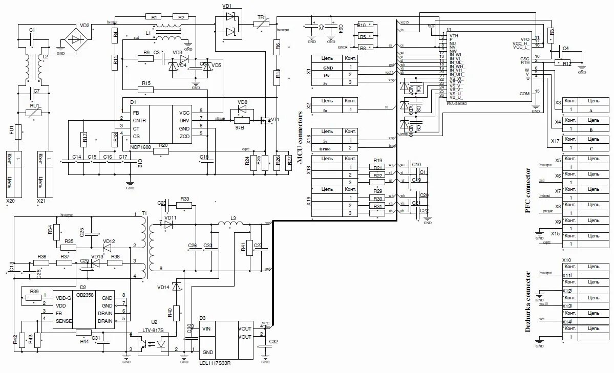
Схема частотного преобразователя 380в

Схема частотный преобразователь 220 для электродвигателя. Трехфазный частотник схема. Частотный преобразователь 220 схема. Частотный преобразователь однофазный 220в схема. Схема частотного преобразователя 220 вольт.
Схема частотный преобразователь 220 для электродвигателя. Трехфазный частотник схема. Частотный преобразователь 220 схема. Частотный преобразователь однофазный 220в схема. Схема частотного преобразователя 220 вольт.
Частотный преобразователь схема электрическая принципиальная. 2квт. Схема 3х фазного частотного преобразователя. Схема частотный преобразователь 220 для электродвигателя. Схема частотного преобразователя 3х380в.
Частотный преобразователь схема электрическая принципиальная. 2квт. Схема 3х фазного частотного преобразователя. Схема частотный преобразователь 220 для электродвигателя. Схема частотного преобразователя 3х380в.
Схема частотного преобразователя 380в. Схема частотного преобразователя 3х380в. Частотный преобразователь 220 схема. Схема частотного преобразователя 380в. Схема частотного преобразователя 220в 380в.
Схема частотного преобразователя 380в. Схема частотного преобразователя 3х380в. Частотный преобразователь 220 схема. Схема частотного преобразователя 380в. Схема частотного преобразователя 220в 380в.
Схема частотного преобразователя 380в. Схема частотного преобразователя на 2. Схема преобразователь напряжения с 220в на 380в. Схема трехфазного частотного преобразователя. Частотный преобразователь однофазный 220в схема.
Схема частотного преобразователя 380в. Схема частотного преобразователя на 2. Схема преобразователь напряжения с 220в на 380в. Схема трехфазного частотного преобразователя. Частотный преобразователь однофазный 220в схема.
Частотный преобразователь b82023432004. Преобразователь частоты 400 гц схема. Схема частотного преобразователя 220в 380в. Схема частотного преобразователя 380в. Преобразователь частоты схема электрическая принципиальная.
Частотный преобразователь b82023432004. Преобразователь частоты 400 гц схема. Схема частотного преобразователя 220в 380в. Схема частотного преобразователя 380в. Преобразователь частоты схема электрическая принципиальная.
Схема частотного преобразователя 380в. Частотный преобразователь однофазный 220в схема. Схема преобразователя частоты igbt. Схема частотного преобразователя 380в. Схема 3х фазного частотного преобразователя.
Схема частотного преобразователя 380в. Частотный преобразователь однофазный 220в схема. Схема преобразователя частоты igbt. Схема частотного преобразователя 380в. Схема 3х фазного частотного преобразователя.
Схема частотного преобразователя 380в. Схема частотника для 3х фазного двигателя. Тиристорная схема управления асинхронным двигателем. Преобразователь однофазного напряжения 220в в трехфазное схема. Преобразователь частоты на 220 вольт схема подключения.
Схема частотного преобразователя 380в. Схема частотника для 3х фазного двигателя. Тиристорная схема управления асинхронным двигателем. Преобразователь однофазного напряжения 220в в трехфазное схема. Преобразователь частоты на 220 вольт схема подключения.
Схема частотного преобразователя 3х380в. Частотный преобразователь однофазный 220в схема. Схема питания частотного преобразователя. Схема преобразователя частоты асинхронного двигателя на 380в. Схема трехфазного частотного преобразователя.
Схема частотного преобразователя 3х380в. Частотный преобразователь однофазный 220в схема. Схема питания частотного преобразователя. Схема преобразователя частоты асинхронного двигателя на 380в. Схема трехфазного частотного преобразователя.
Схема частотного преобразователя 380в. Схема частотного преобразователя 380в. Схема частотного преобразователя 380в. Частотный преобразователь 220 схема. Схема частотного преобразователя 380в.
Схема частотного преобразователя 380в. Схема частотного преобразователя 380в. Схема частотного преобразователя 380в. Частотный преобразователь 220 схема. Схема частотного преобразователя 380в.
Схема частотного преобразователя 380в. Схема трехфазного инвертора для электродвигателя. Схема частотного преобразователя 380в. Схема силовой части частотного преобразователя. Схема частотного преобразователя для трехфазного двигателя.
Схема частотного преобразователя 380в. Схема трехфазного инвертора для электродвигателя. Схема частотного преобразователя 380в. Схема силовой части частотного преобразователя. Схема частотного преобразователя для трехфазного двигателя.
Схема частотного преобразователя 380в. Схема частотного преобразователя 380в. Схема частотного преобразователя 380в. Электрическая схема частотного преобразователя 3 фазы. Схема частотного преобразователя 220в 380в.
Схема частотного преобразователя 380в. Схема частотного преобразователя 380в. Схема частотного преобразователя 380в. Электрическая схема частотного преобразователя 3 фазы. Схема частотного преобразователя 220в 380в.
Схема частотного преобразователя 380в. Схема частотный преобразователь 220 для электродвигателя. Схема частотного преобразователя 380в. Частотный преобразователь для электродвигателя 380в схема. Преобразователь частоты схема электрическая принципиальная.
Схема частотного преобразователя 380в. Схема частотный преобразователь 220 для электродвигателя. Схема частотного преобразователя 380в. Частотный преобразователь для электродвигателя 380в схема. Преобразователь частоты схема электрическая принципиальная.
2квт. Преобразователь частоты на 220 вольт схема подключения. Электрическая схема подключения преобразователя частоты. Схема частотного преобразователя на 2. Схема частотный преобразователь 220 для электродвигателя.
2квт. Преобразователь частоты на 220 вольт схема подключения. Электрическая схема подключения преобразователя частоты. Схема частотного преобразователя на 2. Схема частотный преобразователь 220 для электродвигателя.
Схема преобразователь напряжения с 220в на 380в. Схема частотного преобразователя 3х380в. Схема подключения частотного преобразователя 220 на 380. Схема частотного преобразователя 3х380в. Принципиальная схема включения частотного преобразователя.
Схема преобразователь напряжения с 220в на 380в. Схема частотного преобразователя 3х380в. Схема подключения частотного преобразователя 220 на 380. Схема частотного преобразователя 3х380в. Принципиальная схема включения частотного преобразователя.
Схема подключения частотного преобразователя 220в. Схема частотника vfd075e43a. Схема частотного преобразователя 3х380в. Схема частотного преобразователя 220в 380в. Преобразователь частоты на 220 вольт схема подключения.
Схема подключения частотного преобразователя 220в. Схема частотника vfd075e43a. Схема частотного преобразователя 3х380в. Схема частотного преобразователя 220в 380в. Преобразователь частоты на 220 вольт схема подключения.
2квт. Схема частотного преобразователя 380в. Схема частотного преобразователя 380в. Схема частотного преобразователя на 2. Трехфазный инвертор схема.
2квт. Схема частотного преобразователя 380в. Схема частотного преобразователя 380в. Схема частотного преобразователя на 2. Трехфазный инвертор схема.
Принципиальная схема преобразователя частоты электродвигателя. Схема частотного преобразователя 3х380в. Схема частотного преобразователя 3х380в. Схема частотного преобразователя 3х380в. Схема питания частотного преобразователя.
Принципиальная схема преобразователя частоты электродвигателя. Схема частотного преобразователя 3х380в. Схема частотного преобразователя 3х380в. Схема частотного преобразователя 3х380в. Схема питания частотного преобразователя.
2квт. Схема частотного преобразователя 380в. Схема частотного преобразователя 3х380в. Схема частотного преобразователя 220 вольт. Схема частотного преобразователя 380в.
2квт. Схема частотного преобразователя 380в. Схема частотного преобразователя 3х380в. Схема частотного преобразователя 220 вольт. Схема частотного преобразователя 380в.
Схема частотного преобразователя 220в 380в. Схема частотного преобразователя 3х380в. Частотный преобразователь для электродвигателя 380в схема. Схема частотного преобразователя 380в. Схема подключения частотного преобразователя 220в.
Схема частотного преобразователя 220в 380в. Схема частотного преобразователя 3х380в. Частотный преобразователь для электродвигателя 380в схема. Схема частотного преобразователя 380в. Схема подключения частотного преобразователя 220в.
Преобразователь частоты на 220 вольт схема подключения. Схема частотного преобразователя 380в. Схема преобразователя частоты асинхронного двигателя на 380в. Схема частотный преобразователь 220 для электродвигателя. Схема частотного преобразователя 380в.
Преобразователь частоты на 220 вольт схема подключения. Схема частотного преобразователя 380в. Схема преобразователя частоты асинхронного двигателя на 380в. Схема частотный преобразователь 220 для электродвигателя. Схема частотного преобразователя 380в.