Схема управления оборудованием

Схема щита управления для системы фильтрации бассейна. Электрическая схема управления водоподъёмной установки. Электрическая принципиальная схема управления оборудованием опк-2. Схема управления оборудованием. Однолинейная схема насосной установки.
Схема щита управления для системы фильтрации бассейна. Электрическая схема управления водоподъёмной установки. Электрическая принципиальная схема управления оборудованием опк-2. Схема управления оборудованием. Однолинейная схема насосной установки.
Схема управления оборудованием. Электрическая схема powershift. Схема управления оборудованием. Шкаф управления насосами шун схема. Принципиальная схема управления норией.
Схема управления оборудованием. Электрическая схема powershift. Схема управления оборудованием. Шкаф управления насосами шун схема. Принципиальная схема управления норией.
Схема управления оборудованием. Электрическая схема включения дымососа. Схема управления оборудованием. Вентилятор вытяжной схема электрическая принципиальная. Принципиальная электрическая схема лифта.
Схема управления оборудованием. Электрическая схема включения дымососа. Схема управления оборудованием. Вентилятор вытяжной схема электрическая принципиальная. Принципиальная электрическая схема лифта.
Схема электрическая принципиальная силовая. Принципиальная схема ау электроприводом вентиляционной установки. Принципиальная электрическая схема автоматизации. Блок автоматики схема электрическая принципиальная. Принципиальная схема управления насосом.
Схема электрическая принципиальная силовая. Принципиальная схема ау электроприводом вентиляционной установки. Принципиальная электрическая схема автоматизации. Блок автоматики схема электрическая принципиальная. Принципиальная схема управления насосом.
Схема управления оборудованием. Схема электрическая электропривод вентиляционных установок. Схема управления оборудованием. Схема управления электропривода вентилятора. Электрическая схема управления электродвигателя насосного агрегата.
Схема управления оборудованием. Схема электрическая электропривод вентиляционных установок. Схема управления оборудованием. Схема управления электропривода вентилятора. Электрическая схема управления электродвигателя насосного агрегата.
Схема управления бассейна щита. Схема управления оборудованием. Схема управления электроприводами для прессования кормов. Принципиальная схема управления грузового лифта. Шкаф управления насосами кнс схема.
Схема управления бассейна щита. Схема управления оборудованием. Схема управления электроприводами для прессования кормов. Принципиальная схема управления грузового лифта. Шкаф управления насосами кнс схема.
Схема управления оборудованием. Электрическая схема подключения задвижки с электроприводом. Схема управления оборудованием. Принципиальная электрическая схема опк контроля корма. Схема подключения грузового лифта.
Схема управления оборудованием. Электрическая схема подключения задвижки с электроприводом. Схема управления оборудованием. Принципиальная электрическая схема опк контроля корма. Схема подключения грузового лифта.
Принципиальная схема щита управления зерносушилкой. Схема управления оборудованием. Принципиальная схема щита управления зерносушилкой. Схема щита управления окрасочной камерой. Щит управления бойлером схема.
Принципиальная схема щита управления зерносушилкой. Схема управления оборудованием. Принципиальная схема щита управления зерносушилкой. Схема щита управления окрасочной камерой. Щит управления бойлером схема.
Схема управления оборудованием. Принципиальная схема медицинского устройства. Схема электропривода мостового крана. Принципиальная электрическая схема грузового лифта. Схема управления оборудованием.
Схема управления оборудованием. Принципиальная схема медицинского устройства. Схема электропривода мостового крана. Принципиальная электрическая схема грузового лифта. Схема управления оборудованием.
Электрическая схема управления электроприводом заслонки. Схема щита управления кнс-1. Схема подключения контроллера на мостовом кране. Принципиальная электрическая схема насосной установки. Электрическая схема управления зерноочистительным агрегатом кзс-20ш.
Электрическая схема управления электроприводом заслонки. Схема щита управления кнс-1. Схема подключения контроллера на мостовом кране. Принципиальная электрическая схема насосной установки. Электрическая схема управления зерноочистительным агрегатом кзс-20ш.
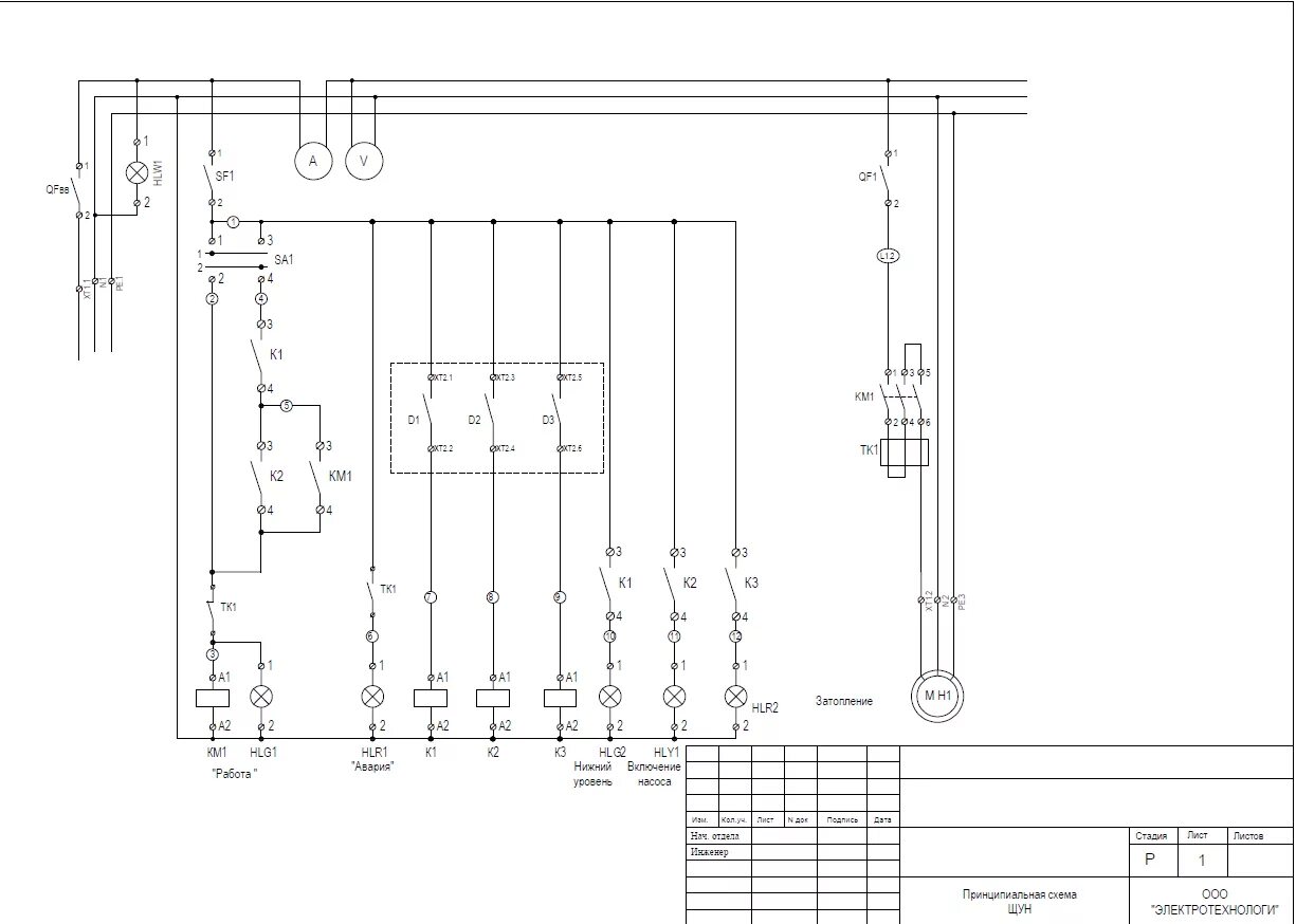
Чертеж со схемой автоматизации вентиляции. Принципиальная электрическая схема силовой части электропривода. Принципиальная электрическая схема электродвигателя. Принципиальная схема управления усн-8. Принципиальная схема щита управления насосами.
Чертеж со схемой автоматизации вентиляции. Принципиальная электрическая схема силовой части электропривода. Принципиальная электрическая схема электродвигателя. Принципиальная схема управления усн-8. Принципиальная схема щита управления насосами.
Принципиальная схема щита управления зерносушилкой. Принципиальная электрическая схема кран балки. Схема электрооборудования пассажирского лифта. Схема кнс с двумя насосами принципиальная. Схема управления областью.
Принципиальная схема щита управления зерносушилкой. Принципиальная электрическая схема кран балки. Схема электрооборудования пассажирского лифта. Схема кнс с двумя насосами принципиальная. Схема управления областью.
Принципиальная электротехническая схема. Принципиальная электрическая схема вентиляции. Электрическая схема включения дымососа. Принципиальная схема подключения приборов. Схема управления оборудованием.
Принципиальная электротехническая схема. Принципиальная электрическая схема вентиляции. Электрическая схема включения дымососа. Принципиальная схема подключения приборов. Схема управления оборудованием.
Принципиальная электрическая схема управления лифтом. Щит управления кнс схема. Принципиальная электрическая схема насосной установки. Электрическая схема грузоподъемного механизма. Схема управления оборудованием.
Принципиальная электрическая схема управления лифтом. Щит управления кнс схема. Принципиальная электрическая схема насосной установки. Электрическая схема грузоподъемного механизма. Схема управления оборудованием.
Схема управления оборудованием. Схема электрическая принципиальная неисправного узла. Принципиальная схема щита управления насосами. Схема управления оборудованием. Принципиальная электрическая схема электродвигателя насоса.
Схема управления оборудованием. Схема электрическая принципиальная неисправного узла. Принципиальная схема щита управления насосами. Схема управления оборудованием. Принципиальная электрическая схема электродвигателя насоса.
П6324 пресс гидравлический схема электрическая принципиальная. Схема управления оборудованием. Принципиальная электрическая схема грузового малого лифта. Принципиальная схема системы управления стоимостью. Электрическая схема подключения щита управления.
П6324 пресс гидравлический схема электрическая принципиальная. Схема управления оборудованием. Принципиальная электрическая схема грузового малого лифта. Принципиальная схема системы управления стоимостью. Электрическая схема подключения щита управления.
Схема управления электроприводом вентиляционной установки. Схема управления оборудованием. Схема электрических принципиальных подключений вентиляция. Эл схема грузового лифта. Тележка мостового крана схема электрическая принципиальная.
Схема управления электроприводом вентиляционной установки. Схема управления оборудованием. Схема электрических принципиальных подключений вентиляция. Эл схема грузового лифта. Тележка мостового крана схема электрическая принципиальная.
Принципиальная электрическая схема вытяжной вентиляции. Принципиальная электрическая схема вентилятора. Принципиальная электрическая схема управления электродвигателем. Схема управления оборудованием. Принципиальная схема щита управления зерносушилкой.
Принципиальная электрическая схема вытяжной вентиляции. Принципиальная электрическая схема вентилятора. Принципиальная электрическая схема управления электродвигателем. Схема управления оборудованием. Принципиальная схема щита управления зерносушилкой.
Принципиальная электрическая схема вентиляции. Принципиальная схема управления насосом. Принципиальная электрическая схема насосной установки. Принципиальная схема подключения приборов. Принципиальная электрическая схема вентилятора.
Принципиальная электрическая схема вентиляции. Принципиальная схема управления насосом. Принципиальная электрическая схема насосной установки. Принципиальная схема подключения приборов. Принципиальная электрическая схема вентилятора.
Схема управления оборудованием. Схема управления оборудованием. Принципиальная схема щита управления зерносушилкой. Принципиальная схема подключения приборов. Принципиальная электрическая схема силовой части электропривода.
Схема управления оборудованием. Схема управления оборудованием. Принципиальная схема щита управления зерносушилкой. Принципиальная схема подключения приборов. Принципиальная электрическая схема силовой части электропривода.